Super clamping force / High rigidity template
/ High speed injection / High quality plasticization
/ Energy saving
Steady and High Rigidity
· All mechanical components such as toggle, platen, etc are all analyzed by the finite
element method, which ensures the strength and rigidity of the machines.
· Tie bars made by high quality alloy steel with hard chromium plating. High strength,
Anti-fatigue, abrasion resistance.
· Increase the ejecting force to meet the requirements of production.
· Reliable auto lubrication system for toggle.
Smooth and Low Friction
· Balanced Twin cylinder design provides secure holding pressure for injection carriage (* * * F Serial).
· Balanced,low resistance,straight line type single cylinder injection system (***L-X Serial).
· Compact injection carriage ensures high rigid structure and little distortion, greatly improves injection stability.
· The design of the short nozzle with internal thread is easy to clean;
· The high quality screw specialized for PC is high efficiency of plasticizing. Enlarging the discharge chute to
ensure a smooth product discharging and strong productivity.
· Sliding hopper is easy for switching plastic granule and cleaning.
stable, reliable, energy-saving and easy maintenance
· JPM-V series is using high-responding YUKEN variable pump, stable, reliable, energy-saving and easy maintenance.
· JPM-S series is using servo system and internal gearing pump, more accurate control, faster responding,
more energy-saving, less noise.
· Power system of JPM-S series can save 25% ~70% rather than the conventional machines.
Machines can meet the first grade of Energy consumption standard.
· Hydraulic components are all with famous brands, providing better performance, stable and reliable.
precision control ,reliability and stability.
· Special controller for injection molding machines,
precision control with full functions.
· Dual-core processor, scanning cycle time can be less than 1 ms for continuous
high-speed motion mode.
· Intelligent auto-alarm system assures reliability and stability.
· Quality control function significantly makes the machine performances more accurate.Central monitoring function available.Material auto-cleaning and mold auto-adjusting functions available.
|
MODEL |
UNIT |
JPM318F |
JPM388F |
JPM428F |
JPM530F |
JPM530L-X |
JPM680L-X |
JPM850L-X |
|
|
Shot volume |
cm3 |
706 |
1025 |
1025 |
1577 |
603 |
684 |
684 |
962 |
|
Shot weight(PC) |
g |
664 |
964 |
964 |
1482 |
567 |
643 |
643 |
904 |
|
Oz |
23.5 |
34.12 |
34.1 |
52.4 |
20 |
22.7 |
22.7 |
31.9 |
|
|
Screw diameter |
mm |
φ60 |
φ66 |
φ66 |
φ70 |
φ62 |
φ66 |
φ66 |
φ75 |
|
Injection pressure |
Mpa |
135 |
146 |
146 |
161 |
165 |
145 |
161 |
210 |
|
Screw l/D ratio |
L/D |
17:1 |
17:1 |
17:1 |
17:1 |
20:1 |
18.5:1 |
23:1 |
20:1 |
|
Screw strok |
mm |
250 |
300 |
300 |
410 |
200 |
200 |
250 |
|
|
Screw speed(max) |
rpm |
201(F series) |
238(F series) |
238(F series) |
247(F series) |
250(S series) |
250(S series) |
250(S series) |
|
|
200(S series) |
277(S series) |
277(S series) |
231(S series) |
||||||
|
Clamping force |
kN |
3180 |
3880 |
4280 |
5300 |
5300 |
6800 |
8500 |
|
|
Opening stroke |
mm |
490 |
540 |
520 |
540 |
540 |
590 |
730 |
|
|
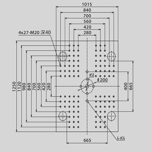
Platen size |
mm×mm |
880×880 |
920×1100 |
1015×1250 |
1090×1230 |
1090×1230 |
1200×1450 |
1390×1550 |
|
|
Space between tie bars |
mm×mm |
570×570 |
660×660 |
665×665 |
700×700 |
700×700 |
800×770 |
900×870 |
|
|
Max.daylight |
mm |
1040 |
1100 |
1070 |
1140 |
1140 |
1190 |
1400 |
|
|
Mold thickness(min-max) |
mm |
210-550 |
200-560 |
240-550 |
240-600 |
240-600 |
265-600 |
300-670 |
|
|
Hydraulic ejection stroke |
mm |
100 |
120 |
120 |
150 |
150 |
150 |
200 |
|
|
Hydraulic ejection force |
kN |
77 |
77 |
77 |
77 |
77 |
77 |
110 |
|
|
Ejector pin |
|
4+1 |
4+1 |
6+1 |
12+1 |
12+1 |
12+1 |
12+1 |
|
|
Hydraulic system pressure |
Mpa |
17.5 |
17.5 |
17.5 |
17.5 |
17.5 |
17.5 |
17.5 |
|
|
JPM***F |
KW |
30 |
37 |
37 |
44 |
/ |
/ |
/ |
|
|
JPM***S |
28.3 |
48.1 |
48.1 |
56.6 |
96 |
96 |
144 |
||
|
Heating capacity |
KW |
13 |
14.6 |
14.6 |
19.8 |
20 |
20 |
24.6 |
26 |
|
Oil tank capacity |
L |
330 |
430 |
430 |
590 |
850 |
900 |
1450 |
|
|
Dimension(LxWxH) |
m×m×m |
6.0×1.4×2.0 |
6.3×1.6×2.1 |
6.7×1.7×2.2 |
7.4×1.8×2.4 |
7.3×1.8×2.4 |
8.2×2.2×2.4 |
9.1×2.3×2.4 |
|
|
Machine weight |
kg |
≈9200 |
≈13000 |
≈16000 |
≈19000 |
≈19000 |
≈22000 |
≈30000 |
|
|
Model |
A |
B |
C |
D |
E |
F |
G |
J |
K |
SR |
M |
|
JPM318F |
3190 |
5675 |
4825 |
2000 |
1430 |
1900 |
1250 |
40 |
2 |
4 |
100 |
|
JPM388F |
3220 |
6300 |
5490 |
2100 |
1550 |
1870 |
1365 |
40 |
2 |
4 |
100 |
|
JPM428F |
3250 |
6690 |
5790 |
2200 |
1550 |
1920 |
1360 |
40 |
2 |
4 |
100 |
|
JPM530F |
3610 |
7355 |
6490 |
2400 |
1810 |
2040 |
1550 |
50 |
2 |
4 |
100 |
|
JPM530L-X |
3610 |
7355 |
6490 |
2400 |
1810 |
2040 |
1550 |
50 |
14 |
14 |
100 |
|
JPM680L-X |
3870 |
8188 |
7255 |
2400 |
2000 |
2250 |
2070 |
50 |
14 |
14 |
150 |
|
JPM850L-X |
4430 |
9030 |
8195 |
2400 |
2180 |
2340 |
2110 |
50 |
14 |
14 |
150 |



National service hotline
19 Beihai Xingye North Road, Lunjiao Town, Shunde District, Foshan City, Guangdong Province
E-mail : sales@wia-machinery.com
Copyright 2019 Guangdong Weiya Precision Machinery Co., Ltd. All Rights Reserved . Technical support:ceall